EAN: 4054037242151
Herst.Nr:
9032164C
Hersteller: Webasto
mit Standard Bedienpanel
Webasto – Air Top 2000 STC – leiser Komfort
Dieses geräuscharme Heizgerät – das kleinste Luftheizgerät auf dem Markt – zeichnet sich durch seine hervorragende Heizleistung und optimale Wirtschaftlichkeit aus.
Die neuen Vorteile derAir Top 2000 STC Marine Kits
– Neuer geteilter Kabelbaum für den Marinebereich mit zwei Abzweigungen zur Batterie und zum Kabinenbedienelement
– Zwei Schnittstellen für Diagnose und MultiControl
– Geräuscharme Dosierpumpe mit PWM-Betrieb
– Neuer externer Temperatursensor mit innovativem Design
– Transparenter Kraftstoffschlauch für einfache Inspektion (nicht in den USA, dort werden Kupferleitungen verwendet)
– Einfache Kombination mit MultiControl
– Wartungs- und servicefreundlich, diagnosefähig
– Vollständig W-Bus-kompatibles Heizgerät
– Reduzierter Geräuschpegel durch verbesserten Verbrennungsluftschalldämpfer
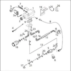
Lieferumfang
Teil 01 – 1 x Heizgerät 12 V
Teil 02 – 1 x Gitter, Clips geöffnet Ø 60
Teil 03 – 1 x Standard Bedienelement für Heizgerät
Teil 04 – 1 x Temperatursensor, extern, 2,5 m
Teil 05 – 1 x Dosierpumpe
Teil 06 – 1 x Halterung für Dosierpumpe EPDM
Teil 07 – 1 x Kabelbaum mit Sicherungsfassung 12 / 24 V
Teil 08 – 1 x Kabelbaum (Dosierpumpe) 7.000 mm
Teil 09 – 1 x Dichtung
Teil 10 – 1 x Abgasreduzierbuchse 22 / 24
Teil 11 – 1 x Abgasschalldämpfer, lecksicher Ø 24; 1.800 mm
Teil 12 – 1 x Bordwanddurchführung für Luftaustritt
Teil 13 – 1 x Transparenter Kraftstoffschlauch: 5.000 mm
Teil 14 – 5 x Kraftstoffschlauch
Teil 15 – 1 x Schlauch für Verbrennungslufteinlass 300 mm
Teil 16 – 1 x Schalldämpfer für Verbrennungslufteinlass
Teil 17 – 1 x Tankentnehmer
Teil 18 – 1 x Kraftstofffilter
Teil 19 – 1 x Halterung für Heizgerät, Edelstahl
Teil 20 – Vibrationsdämpfer für Kraftstoffschlauch
1 Beutel (mit mechanischen Einbauteilen), bestehend aus:
Teil 21 – 10 x Schlauchschelle (Edelstahl) Ø 14
Teil 22 – 1 x Rohrschelle Ø 30
Teil 23 – 1 x Schlauchschelle Ø 26 – 28
Teil 24 – 1 x Schlauchschelle (Edelstahl) Ø 16 – 27
Teil 25 – 17 x Kabelbinder
Teil 26 – 2 x Winkelhalterung
— Auf Produktfotos angezeigte Dekorationsartikel gehören nicht zum Leistungsumfang. —













Rezensionen
Es gibt noch keine Rezensionen.